[返回列表.]    [免费下载畅易手机版APP ]

用户 晓马 **当前提问:BCM供电电路图

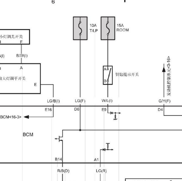
BCM供电电路图

.尊敬的用户,欢迎你使用在线客服,你需要的资料在《畅易汽车维修技术支持平台》是有的,请直接登陆查询!查询方法:国内厂家 ->一汽奔腾-奔腾B70-2011-[ 线路图 ] ->电路图增补 -> 总电路图->BCM.2011年奔腾B70 BCM供电电路图


用户 晓马 ***其他客服问题:
test:
  电子助力方向机电路图.. 大众 迈腾大众 迈腾2010-1[L F V2A23C** ]
  室内保险丝盒继电器定义.. 东风小康东风汽车-K01L东风小康东风汽车-K01L2013-1[LVZKN219XH** ]
  外界温度传感器位置.. 一汽大众高尔夫71.4TSI 双离合 280TSI 挚爱版 豪华型2020-DJS(1.4)[LFV2B25G2L** ]
  驾驶室内个个模块位置图 .. 陆风X72017-1[LVXDAJBAXG** ]
  电机控制器端子图,PDF格式的.. 开端 优优EV2017- HLTZ220XS(电动机) [LVM6A1G17H** ]
  通讯网络图,车身电脑模块位置图.. 福美来F72017-HM474Q-T[LH16CKJ05H** ]
以下是一汽轿车相关车型的客服问题,希望对您有帮助
 03年红旗轿车CA7242E6(L)的维修资料?x..一汽轿车红旗轿车CA7242E6(L) 2003 1111
 室内保险盒图解..一汽轿车一汽奔腾E05 NAT 2021 CAM210PT6(电动机) [LFP8C7PC6M**]
 电动后备箱电路图!之前发的没有电路图,..一汽轿车H72.5 手自一体 公务尊贵型 2012 CA6GV2(2.5) [LFPH5BCN0D**]
 这个发动机的螺丝扭矩跟正时..一汽轿车HS73.0T 手自一体 四驱智联旗领版 2019 CA6GV30TD(3.0) [LFB1F0687L**]
 高压互锁线路图..一汽轿车E-HS3两驱版智联旗悦 2019 TZ204XSLM2(电动机)(电动) [LFPHC7PE6K**]
 保险盒定义..一汽轿车B30EVEV400 2019 TZ186XSM03(电动机)(电动) [LFP8C7CC8K**]
 平台系统怎么没有找到这个车转向灯线束图..一汽轿车T771.2TID 双离合 230TID 尊享型米粉版 2019 CA4GA12TD(1.2) [LFBGE2063K**]
 主机屏幕线路图..一汽轿车H51.8TD 手自一体 智联旗韵版 2020 CA4GC18TD-30(1.8) [LFPH4ACP5M**]
 查一下这个模块的车身电脑在哪里..一汽轿车HS52.0T 手自一体 智联旗悦版 2019 CA4GC20TD-32(2.0) [LFB1E6078L**]
 2013-2014年欧朗(Oley)维修手册SS..一汽轿车欧朗(Oley) 2013/2014 . [.**]
 帮我查一下发动机针脚图..一汽轿车T771.2TID 双离合 230TID 豪华型 2019 CA4GA12TD(1.2) [LFBGE2061K**]
 这个车的凸轮轴位置传感器位置..一汽轿车B501.6 手动 豪华型 2013 BWH(1.6) [LFP83ACC1E**]

Copyright @ 2009 www.car388.com All rights reserved. 蜀ICP备12014226号-2 增值电信增值业务许可证:川B2-20190647 服务电话:028-87038205 87039205 87020205 川公网安备 51010502010015号 公司地址:成都市龙泉驿区经开区南二路309号 鼎峰动力港 企业办公总部基地 12栋
2025-04-04.-.V25