[返回列表.]    [免费下载畅易手机版APP ]

用户 1589449 **当前提问:帮我看看15年长丰猎豹黑金刚,汽油泵

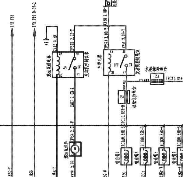
帮我看看15年长丰猎豹黑金刚,汽油泵控制电路图

.尊敬的用户,欢迎你使用在线客服,你的问题客服人员已为你处理完毕,请下载附件,如有疑问,欢迎和我们联系!.2014年猎豹黑金刚油泵电路图

附件:48492019194354.zip


用户 1589449 ***其他客服问题:
  21吉利远景X6的电子手刹控制单元线路图和控.. 吉利汽车远景SUV(X6)1.4T 手动 尊贵型2020-JLB-4G14TB(1.4)[L107722S3M** ]
  查一下这个车的发动机电脑版的30号和15号电.. 一汽大众(奥迪)A4L2.0TFSI 双离合 40TFSI 运动型2019-DKU(2.0)[LFV3A28W7K** ]
  四驱电路图,平台上的没对上.. 东风 锐骐东风 锐骐2018-1[LJNTGUC30J** ]
  19年郑州日产瑞琪6的线路图有。如果有的话。.. 郑州日产锐骐皮卡2.5T 手动 四驱豪华型2018-ZD25T5(2.5)[LJNTGUC33K** ]
  要obd线路.. 现代 胜达经典2006-2.7[KMHSH81D76** ]
  高频天线和高频天线接收控制单元的安装位置.. 北京现代新胜达2.0TGDi 手自一体 380TGDi GLS 两驱豪华版2019-G4KH(2.0)[LBETMBKD7K** ]
以下是广汽长丰相关车型的客服问题,希望对您有帮助
 门玻电路图..广汽长丰汽车股份有限公司猎豹cs7 2010 4g15s [ll66h2f07a**]
 猎豹黑金刚发动机电脑针脚图..广汽长丰猎豹黑金刚 2011 4G64S4M [LL6654B07B**]
 要发动机的电路图 和发动机电脑的针脚图..广汽长丰黑金刚2.4 手动 四驱舒适版 2008 4G64S4M(2.4) [ **]
 帮我查下发动机电路图 和ABS电路图,要PDF格式..广汽长丰黑金刚2.2 手动 两驱标准型 2013 4RB3(2.2) [LMG652B08D**]
 这个车的发动机拆装资料..广汽长丰CT71.9T 手动 两驱进取型标双版 2017 D19TCID1(1.9) [LN81CCEB9G**]
 Abs电路图..广汽长丰帕杰罗V733.0 手动 GL 2006 6G72(3.0) [LL62H4C037**]
 4驱模块在那..广汽长丰奇兵2.2 手动 四驱 2008 4RB3(2.2) [LL6654B05A**]
 方向盘下面的保险盒继电器电路图..广汽长丰猎豹奇兵 2011 4RB3 [LL6654B05B**]
 ABS和发动机电路图..广汽长丰黑金刚2.2 手动 四驱标准型 2013 4RB3(2.2) [LMG654B01D**]
 电路图..广汽长丰黑金刚2.4 手动 F 四驱平顶版 2003 4G64S4M(2.4) [LL6654B094**]
 德尔福MT22.1发动机电脑板针脚图..广汽长丰汽车皮卡 11年 491Q
 雨刮电路图发我..广汽长丰CS102.0T 手动 新锐版 2015 4G63S4T(2.0) [LN86GCBF3F**]

Copyright @ 2009 www.car388.com All rights reserved. 蜀ICP备12014226号-2 增值电信增值业务许可证:川B2-20190647 服务电话:028-87038205 87039205 87020205 川公网安备 51010502010015号 公司地址:成都市龙泉驿区经开区南二路309号 鼎峰动力港 企业办公总部基地 12栋
2025-05-20.-.V28**VHTML-2025-V18-11-5---2-