[返回列表.]    [免费下载畅易手机版APP ]

用户 18687999 **当前提问:油泵线路图 帮忙查下 谢谢

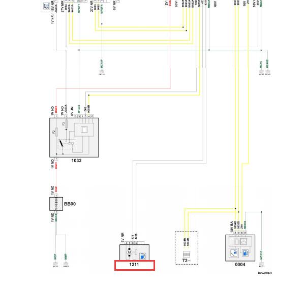
油泵线路图 帮忙查下 谢谢

.尊敬的用户,欢迎你使用在线客服,你的问题客服人员已为你处理完毕,请下载附件,如有疑问,欢迎和我们联系!.2006年标致C4 燃油泵电路图

附件:42442800322647.zip


用户 18687999 ***其他客服问题:
  助力转向系统 电源接地CAN线路图.. 福特汽车Explorer [探险者]3.5 手自一体 尊享型2013-8(3.5)[1FM5K8F80E** ]
  发动机电脑针脚定义图.. 奔驰汽车S 350 L3.5 手自一体 豪华型2008-272 965(3.5)[WDDNG56X18** ]
  转向锁电路图.. 上海大众朗逸1.4TSI 双离合 豪华版(改款)2013-CST(1.4)[LSVNX6184D** ]
  变速箱离合器电机控制示意图.. 上汽通用五菱5101.5 序列变速 时尚型2017-L2B(1.5)[LZWADAGA3J** ]
  挂档电磁阀线路图.. 长安福特经典福克斯-三厢1.8 手自一体 时尚型2013-CAF483Q0(1.8)[LVSHCFAE0E** ]
  双闪电路图 帮忙查下.. 上汽大众途观1.4TSI 双离合 280TSI 丝绸之路舒适版2016-CSS(1.4)[LSVX265N2H** ]
以下是雪铁龙汽车相关车型的客服问题,希望对您有帮助
 这个车方向盘控制模块电路图..雪铁龙汽车C4 Coupe1.6T 手自一体 豪华版 2009 5FT(EP6DT)(1.6) [VF7LA5FT59**]
 这个车的CAN网络结构图..雪铁龙汽车C4 Coupe1.6T 手自一体 豪华版 2009 5FT(EP6DT)(1.6) [VF7LA5FT59**]
 变速箱换挡电机电路图还有全车保险丝定义,..雪铁龙汽车Grand C4 Picasso [大C4毕加索]2.0 手自一体 舒适型 2009 EW10A(RFJ)(2.0) [VF7UARFJ09**]
 喇叭线路..雪铁龙汽车C63.0 手自一体 旗舰型 2008 ES9A(XFV)(3.0) [VF7TDXFV18**]
 电路图..雪铁龙汽车C63.0 手自一体 旗舰导航版 2008 ES9A(XFV)(3.0) [VF7TDXFV37**]
 这个车的所有继电器图解..雪铁龙汽车C4 Coupe1.6T 手自一体 豪华版 2009 5FT(EP6DT)(1.6) [VF7LA5FT59**]
 这个车的保险丝盒和继电器位置图..雪铁龙汽车C4 Coupe1.6T 手自一体 豪华版 2009 5FT(EP6DT)(1.6) [VF7LA5FT59**]
 发动机机械组装..雪铁龙汽车Grand C4 Picasso [大C4毕加索]1.6THP 手自一体 豪华型7座 2015 5G02(1.6) [VF73A5GY5G**]
 这个变速箱电脑板位置..雪铁龙汽车C4 Coupe1.6T 手自一体 豪华版 2009 5FT(EP6DT)(1.6) [VF7LA5FT59**]
 这个车的变速箱电脑板和ABS电脑板针角定义..雪铁龙汽车C4 Coupe1.6T 手自一体 豪华版 2009 5FT(EP6DT)(1.6) [VF7LA5FT59**]
 转向灯电路图..雪铁龙汽车Grand C4 Picasso [大C4毕加索]1.6THP 手自一体 豪华型7座 2015 5G02(1.6) [VF73A5GY9F**]
 这个车的变速箱电脑板位置..雪铁龙汽车C4 Coupe1.6T 手自一体 豪华版 2009 5FT(EP6DT)(1.6) [VF7LA5FT59**]

Copyright @ 2009 www.car388.com All rights reserved. 蜀ICP备12014226号-2 增值电信增值业务许可证:川B2-20190647 服务电话:028-87038205 87039205 87020205 川公网安备 51010502010015号 公司地址:成都市龙泉驿区经开区南二路309号 鼎峰动力港 企业办公总部基地 12栋
2025-10-03.-.V28**