[返回列表.]    [免费下载畅易手机版APP ]

用户 63232243 **当前提问:发动机电路图

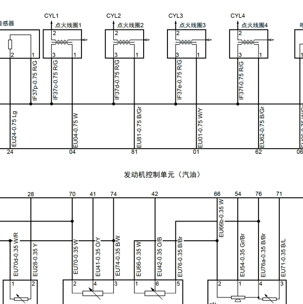
发动机电路图

.尊敬的用户,欢迎你使用在线客服,非常抱歉没有九龙(大马)海狮的资料。客服查询了解到九龙3TZ发动机是绵阳新晨动力发动机和广汽吉奥GP150用的是同款3TZ发动机。客服处理了广汽吉奥GP150的3TZ发动机电路图资料,如需要请下载附件参考,给您带来不便,请谅解!.广汽吉奥GP150新晨动力3TZ发动机电路图

附件:11192815304537.zip


用户 63232243 ***其他客服问题:
  Dsc电路图能不能发个.. 宝马530Li 2021-B48B20D[LBV61AF04M** ]
  雷达传感器电路图.. 奔驰汽车S 400 L 48V3.0T 手自一体 商务型2021-256 930(3.0)[W1K6G5KB9M** ]
  发动机电路图 最好是方框图.. 东风英菲尼迪Q50L2.0T 手自一体 舒适版2018-274A(2.0)[LGBW1PE08K** ]
  632322438(old)weixin 2023-08-12 11:46:29 你好 这个车.. 现代雅科仕2006- G6AU/CU [KMHGV11C76** ]
  邦奇变速箱电路图.. 中国海马海马S514年10月-HMN GN15-TF[LMVHEKFC9E** ]
  Hud平视显示器电路图 还有主动式安全网络主.. 吉利汽车L71.5T 自动 55km PRO2023-BHE15-BFZ(1.5)[LB378LCZ4P** ]
以下是九龙(大马) 海狮相关车型的客服问题,希望对您有帮助
 发动机电路图..九龙(大马) 海狮九龙(大马) 海狮 2013 3TZ [LJSKA3AJ4D**]

Copyright @ 2009 www.car388.com All rights reserved. 蜀ICP备12014226号-2 增值电信增值业务许可证:川B2-20190647 服务电话:028-87038205 87039205 87020205 川公网安备 51010502010015号 公司地址:成都市龙泉驿区经开区南二路309号 鼎峰动力港 企业办公总部基地 12栋
2026-04-26.-.V28**