[返回列表.]    [免费下载畅易手机版APP ]

用户 13834144 **当前提问:BMS的电路图

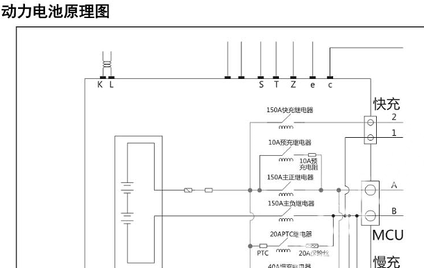
BMS的电路图

.尊敬的用户,欢迎你使用在线客服,你的问题客服人员已为你处理完毕,请下载附件,如有疑问,欢迎和我们联系!2019年开瑞海豚EV BMS电路图和针脚资料.

附件:16402924017230.zip


用户 13834144 ***其他客服问题:
  前雾灯电路图.. 福特汽车Edge [锐界]2.0T 自动 精锐型天窗版2012-9(2.0)[2FMDK3J95E** ]
  福田快运前氧传感器电路图找一下.. 福田汽车快运2.2 手动 标准型长轴高顶491EQ42014-BJ491EQ4(2.2)[LVCB2NWAXG** ]
  VCM通讯电路图.. 沃尔沃亚太S902.0T 手自一体 T4 智远版2018-B4204T44(2.0)[LVYPDALA8J** ]
以下是奇瑞汽车相关车型的客服问题,希望对您有帮助
 威麟(H3)2011年制动系统的维修资料?x..奇瑞汽车威麟(H3) 2011 1111
 高压互锁电路图 资料库是汽油车的..奇瑞汽车优优EV舒适型 2019 TZ210XSD42(电动机)(电动) [LVM6A1G15K**]
 线路图或者手册有吗..奇瑞汽车R7667km Pro 2024 TZ210XYA02(电动机)(电动) [LNNBBDEC7R**]
 全车电路图..奇瑞汽车凯翼C3 2015年12月 SQRD4G15 [LVVDB21B9F**]
 后视镜拆装资料..奇瑞汽车瑞虎8 PLUS 2020 SQRE4T15C [.**]
 空调系统电路图主要是冷热风门电机的,176623..奇瑞汽车X70M1.5T 手动 伙伴型(改款) 2020 SQRE4T15C(1.5) [LVUDB11B3L**]
 2009年QQme(S16)音响系统的线路图?x..奇瑞汽车QQme(S16) 2009 1111
 开瑞优雅发动机和BCM电路图清晰一点的..奇瑞汽车优雅Ⅱ代1.5 手动 标准型 2013 SQRD4G15(1.5 [LVTDB11A4E**]
 雨刮维修手册..奇瑞汽车开瑞杰虎 2015/2016 4JB1T-4A [.**]
 座椅线路图 ..奇瑞汽车山海T2 C-DM1.5T 自动 208KM 山野版 2024 SQRH4J15(1.5) [HEVPBECBXR**]
 真空泵电路图..奇瑞汽车优优EV舒适I型 2019 TZ210XSD42(电动机)(电动) [LVM6A1G19K**]
 地板线束位置图..奇瑞汽车瑞虎8 L2.0T 自动 两驱标准版5座 2024 SQRF4J20(2.0) [LVTDB24B8R**]

Copyright @ 2009 www.car388.com All rights reserved. 蜀ICP备12014226号-2 增值电信增值业务许可证:川B2-20190647 服务电话:028-87038205 87039205 87020205 川公网安备 51010502010015号 公司地址:成都市龙泉驿区经开区南二路309号 鼎峰动力港 企业办公总部基地 12栋
2026-01-11.-.V28**