[返回列表.]    [免费下载畅易手机版APP ]

用户 13847380 **当前提问:空调线路图

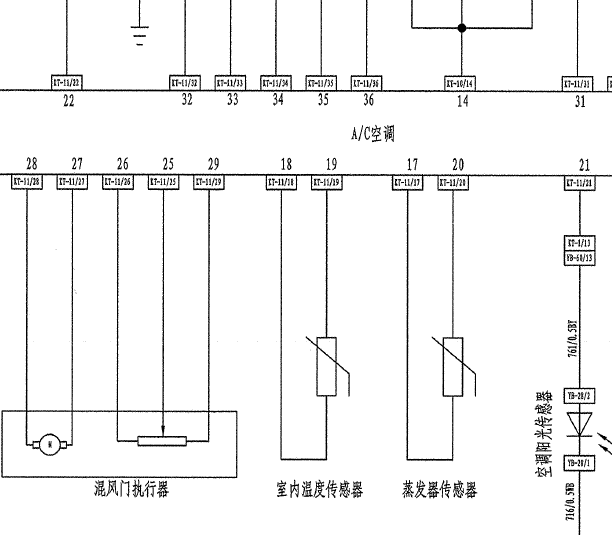
空调线路图

.尊敬的用户,欢迎你使用在线客服,资料库里暂时没有12年的资料,给您处理了10年的,请下载附件,如有疑问,欢迎和我们联系!10年吉利海景空调电路.

附件:9019460614485.rar


用户 13847380 ***其他客服问题:
test:
  点火开关到起动继电器线路图.. 长安福特麦克斯2008-Duratec-HE[LVSFFSAF38** ]
  风扇线路图.. 奇瑞瑞虎10-4G64
  转向灯线路图.. 北汽幻速H316-4G63
  全车线路图.. 重庆力帆X6012-479Q
  转向灯线路图.. 北汽换数16-4G63
  怠速不稳加不起油,车好着.. 一汽丰田花冠08年-1zr1.6
以下是英伦相关车型的客服问题,希望对您有帮助
 2011年英伦SC715手动变速箱资料..英伦SC715 2011 JL4G15D
 发动机电脑针脚图..英伦牌吉利英伦 2013年6月 LJY - 4G15 [LJU5524S2D**]
 变数箱维修手册..英伦吉利汽车TX4 2009 2.4 [LJU9767A6B**]
 驻车制动控制模块电路图..长安牌SC7157ABH5 2018年04月18日 JL476ZQCD [LS5A2DEE6J**]
 空调系统线路图..长安悦翔V5SC7151EYA4 2013年12月6号 JL478QCC [LS5A2DBEOD**]
 自动空调系统电路图..英伦EC718 2012年1月 JL4G18 [LJU8844S1C**]
 发动机电脑针脚图..吉利英伦SC715 2010 JL4G15D [LJU8824S7A**]
 有维修手册吗..长安SC7151EY 2012.11 JL478QCC [LS5A2ABE6C**]
 12年吉利英伦SC715自动波箱电脑电路图..英伦12年 07月 JL-4G18 [LJU8844Z8C**]
 2014款长安悦翔V5车窗电路图..长安SC7151EYA4 2014.2.17 JL478QCC [LS5A2ABE0E**]
 空调线路图..英伦SC715 2012 4G15
 吉利英伦SC715发动机电路图..英伦SC715 13 4G15

Copyright @ 2009 www.car388.com All rights reserved. 蜀ICP备12014226号-2 增值电信增值业务许可证:川B2-20190647 服务电话:028-87038205 87039205 87020205 川公网安备 51010502010015号 公司地址:成都市龙泉驿区经开区南二路309号 鼎峰动力港 企业办公总部基地 12栋
2025-01-18.-.V25VHTML-2025-V18-11-5---2-