[返回列表.]    [免费下载畅易手机版APP ]

用户 成晟 **当前提问:丰田红杉后备箱玻璃控制模块电路图

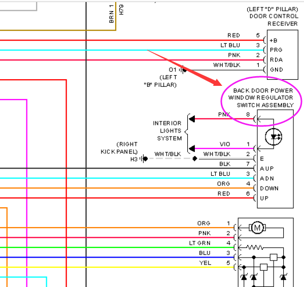
丰田红杉后备箱玻璃控制模块电路图

.尊敬的用户,欢迎你使用在线客服,抱歉没有15年红杉的资料,给你处理的14年参考,请下载附件,如有疑问,欢迎和我们联系!14年丰田红杉车窗电路.

附件:5747502419825.rar

.尊敬的用户,欢迎你使用在线客服,你需要的资料在《畅易汽车维修技术支持平台》是有的,请直接登陆查询!查询方法:国外厂家 -> Toyota(丰田)-Sequoia(红杉)-2015-2016[ 线路图 ] -> 系统电路 -> 电动车窗_Power Window.2015-2016年Toyota(丰田)-Sequoia(红杉)电动车窗电路图


用户 成晟 ***其他客服问题:
test:
  发动机线路图氧传感器部分.. V93WLYHVL1C三菱帕杰罗11-6G722972[JE4NR52M5B** ]
  防盗系统线路图 防盗电脑安装位置.. AA保时捷 博斯特99-[WP0AA29868** ]
以下是丰田红杉5TDDY5G1相关车型的客服问题,希望对您有帮助
 车辆的维修手册及电路图..38丰田红杉5.7L 2010 [5TDBY5G16A**]
 没有这车气囊电路图..美国丰田公司丰田红杉 09年09月 3UR [5TDDW5G11A**]
 电脑折叠座椅控制电路图..北美丰田红杉570 2011 3UR [5TD3Y5G17B**]
 10年丰田红杉底盘升降电路图..丰田丰田红杉 2010 3Uz
 丰田红杉后雨刮器和后喷水电路图..丰田红杉丰田红杉 2010年 5.7排量
 红杉四驱线路图..进口丰田丰田红杉 2010 3UR5420167
 保险盒说明..丰田丰田红杉 11年 3UR [5TDDW5G11B**]
 后背箱模块 后备箱锁电路图..丰田红杉丰田红杉 10 5.7
 需要电动尾门维修手册..丰田丰田红杉 2010 GKTZGA [5TDDW5G18A**]
 丰田红杉后备箱玻璃控制模块电路图..丰田红杉5TDDY5G1丰田红杉 15 3UR5751906 [5TDDY5G11E**]
 11红杉四驱,差速锁电路..丰田丰田红杉 11 3uz
 10年丰田红杉胎压电脑位置及胎压控制线路图..国外丰田丰田红杉 2010 3UR-FE [5TDDY5G17A**]

Copyright @ 2009 www.car388.com All rights reserved. 蜀ICP备12014226号-2 增值电信增值业务许可证:川B2-20190647 服务电话:028-87038205 87039205 87020205 川公网安备 51010502010015号 公司地址:成都市龙泉驿区经开区南二路309号 鼎峰动力港 企业办公总部基地 12栋
2025-01-18.-.V25VHTML-2025-