[返回列表.]    [免费下载畅易手机版APP ]

用户 和通 **当前提问:发动机电脑电源电路

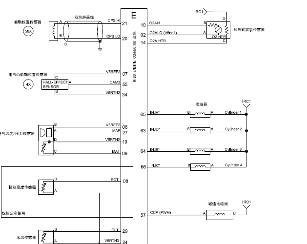
发动机电脑电源电路

.尊敬的用户您好,客服人员查到格瑞斯V19发动机使用的MT80电控系统,已为你处理了相关电路图,请下载附件参考,如有疑问,欢迎和我们联系!..格瑞斯v19发动机电路图

附件:2624541341617.zip


用户 和通 ***其他客服问题:
test:
  全车电路.. 比亚迪F62009-4G69S4M[LGXC36DG8A** ]
  16年1月东风日产轩逸5mt波箱线路图 和发动机.. 东风汽车有限公司日产轩逸2016年01月-HR16 1.59L[LGBH12E05G** ]
  仪表针脚图,电路图.. 五菱五菱荣光2018-L2B[LZWADAGA2J** ]
  2015年三菱欧蓝德维修手册·.. 三菱汽车工业株式会欧蓝德2015年 10月-2360ml[JE3AZ2936G** ]
  19款全新别克gl8 电路图 娱乐系统.. 上海通用GL82019-2.0L[LSGUL83L4K** ]
  波箱电脑电路图,发动机电脑电路图.. 凯迪拉克CTS2007-LP1[1G6DM57T17** ]
以下是华晨金杯相关车型的客服问题,希望对您有帮助
 金杯智尚s35全车电路图..华晨金杯智尚s35 16 4a15 [LSYADACA2G**]
 金杯格瑞斯空调面板加电源部分,这次是空调..华晨金杯格瑞斯 2005年12月 3RZ [LSYAABBF95**]
 需要2011年金杯海狮全车电路图下载链接,谢..华晨金杯海狮 2011 2.0
 发动机电路图..华晨阁瑞斯 2012 1TR
 金杯阁瑞斯遥控器控制模块电路图..金杯阁瑞斯 2017,12 v19 [LSYADAAA8H**]
 发动机维修资料..沈阳华晨金杯汽车有限公司阁瑞斯 2018.7 V19 [LSYADAAA9J**]
 空调电路图..金杯阁瑞斯 2011 V19 [LSYAAAAA0B**]
 请传一份电动车窗线路图,谢谢..华晨金杯T32 2015 DLCG12 [LSYEKH2E6F**]
 查一下 华晨金杯 华颂汽车的 发动机电脑端子..华晨金杯华颂7 2015年4月 N20B20C [LSYAABDU6F**]
 金杯格瑞空调系统电路图..华晨金杯格瑞斯 2007 4G20 [LSYAAAAC67**]
 油泵电路图..华晨金杯海狮2.0 手动 快运王 标准顶豪华型4G20B 6-9座 2014 4G20B(2.0) [LSYBCAAA2E**]
 空调系统电路图和压缩机继电器的位置。..华晨金杯快运2.0 手动 豪华型9座 2019 V19(2.0) [LSYADAAA8K**]

Copyright @ 2009 www.car388.com All rights reserved. 蜀ICP备12014226号-2 增值电信增值业务许可证:川B2-20190647 服务电话:028-87038205 87039205 87020205 川公网安备 51010502010015号 公司地址:成都市龙泉驿区经开区南二路309号 鼎峰动力港 企业办公总部基地 12栋
2025-01-18.-.V25VHTML-2025-