[返回列表.]    [免费下载畅易手机版APP ]

用户 xinjiang **当前提问:发动机电力路图,主要氧传感器电路

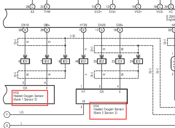
发动机电力路图,主要氧传感器电路图

.尊敬的用户,欢迎你使用在线客服,你的问题客服人员已为你处理完毕,请下载附件,如有疑问,欢迎和我们联系!.红旗3GR发动机氧传感器电路图

附件:7712616174672.rar

你好,你能不能把发动机电路图给我发过来,你发的图只有两个氧传感器,它这上面有四个氧传感器,你这只给一般的图。

.尊敬的用户,您好!之前客服发送给您的附件就是3GR发动机电路图,请下载附件,仔细查看。如有疑问,欢迎和我们联系!红旗3GR发动机电路图.

已评价:5星好评

.尊敬的用户,欢迎您使用在线客服,您需要的资料已更新了全系统的电路图,请您直接进入畅易平台查询!查询方法;国内厂家 ->一汽红旗-盛世-2006-2009[ 线路图 ].2006-2009年一气红旗-盛世 全车线路图


用户 xinjiang ***其他客服问题:
  320i换挡锁电磁阀及换挡杆电路.. 宝马320i2007-N46[Lbvva96037** ]
  空调电器系统位置图.. 东风英菲尼迪英菲尼迪Q50L2017-9-274A[lgbw1pe05h** ]
  途锐4·2L ABS端子针脚电压图.. 大众途锐04-AXQ[WVGCM77L14** ]
  发动机的装配资料怎么看.. 宝马 3系12-n20
  变速箱电脑端子针脚定义图,变速箱和发动机.. 克莱斯勒铂锐2008年04-ECN[LE4FG65Z98** ]
  长城汽油2.0T电脑端子电压位置图.. 长城长城H52015-三菱发动机[LGWFF5A56F** ]
以下是一汽轿车相关车型的客服问题,希望对您有帮助
 网关模块位置。..一汽轿车H51.8TD 手自一体 30TD 型动版 2019 CA4GC18TD-11(1.8) [LFPH4ACP3L**]
 07年红旗盛世尾箱电路图..红旗盛世红旗盛世 2007年 3.0 [LFPH6BBC57**]
 驾驶员侧座椅电机有零件号吗..一汽轿车T77 PRO1.5TID 双离合 280TID 豪华型 2021 CA4GB15TD-30(1.5) [LFBGE3064N**]
 03年红旗轿车CA7242E6(L)的维修资料?x..一汽轿车红旗轿车CA7242E6(L) 2003 1111
 奔腾B70全车线路图..一汽轿车B70 11年 2.0
 主机屏幕线路图..一汽轿车H51.8TD 手自一体 智联旗韵版 2020 CA4GC18TD-30(1.8) [LFPH4ACP5M**]
 发动机电路图,平台上的只显示一般..一汽轿车X401.6 手自一体 豪华型 2019 CA4GB16-11(1.6) [lfp83apc9k**]
 车身模块电路图,小灯电路图电路图,..一汽轿车T331.6 手动 互联智酷型 2019 CA4GB16-11(1.6) [LFP83APC0K**]
 左前门控制器线路图,..一汽轿车H72.0T 手自一体 技术型 2013 CA4GC20T(2.0) [LFPH4BCN3D**]
 电动车窗线路..一汽轿车奔腾 B50 09年12月 BWH
 2013-2014年欧朗(Oley)维修手册SS..一汽轿车欧朗(Oley) 2013/2014 . [.**]
 电动后备箱电路图!之前发的没有电路图,..一汽轿车H72.5 手自一体 公务尊贵型 2012 CA6GV2(2.5) [LFPH5BCN0D**]

Copyright @ 2009 www.car388.com All rights reserved. 蜀ICP备12014226号-2 增值电信增值业务许可证:川B2-20190647 服务电话:028-87038205 87039205 87020205 川公网安备 51010502010015号 公司地址:成都市龙泉驿区经开区南二路309号 鼎峰动力港 企业办公总部基地 12栋
2025-05-10.-.V28**