[返回列表.]    [免费下载畅易手机版APP ]

用户 18111929 **当前提问:车外后视镜电路图及原理图

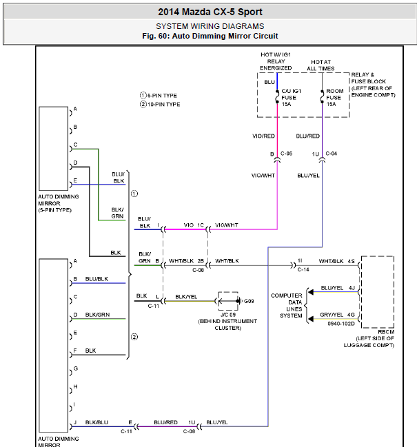
车外后视镜电路图及原理图

.尊敬的用户,欢迎你使用在线客服,你的问题客服人员已为你处理完毕,请下载附件,如有疑问,欢迎和我们联系!14年CX-5后视镜线路图.

附件:7626693284827.rar


用户 18111929 ***其他客服问题:
test:
以下是长安马自达相关车型的客服问题,希望对您有帮助
 没有长安马自达Cx5电路图..长安马自达Cx5 14 PE [LVRHDCAC7E**]
 要一份15年马自达CX-5 ABS的针脚图..长安马自达马自达CX-5 15年 PE [LVRHDCAC3F**]
 15年长安马自达转向灯电路图..长安马自达马自达3 2015 PE [LVRHDFAC7F**]
 发动机电脑板接线图,要彩图..长安马自达cx一5 2019 pE [LvRHDCAC3k**]
 车外后视镜电路图及原理图..长安马自达CAM6460N 2014.01 PE 2.0L [LVRHDCMC9E**]
 :马自达Cx4-17年,无钥匙进入天线都安装在那..长安马自达cx4Cx4 17 Q [Lfpm4ape0h**]
 长安马自达发动机电脑电路图..长安马自达昂克赛拉 22 PE [LVRHDFAC3N**]
 给我找一份2008年的马自达3仪表管脚图谢谢急..长安马自达马自达3 2008
 车间手册发动机01-14到01-60..长安马自达昂克赛拉 2014 P5
 马自达CX30 需要这款车的详细电路图。..长安马自达CX-30 2020 PE [LVRHDAAC7L**]
 马自达6无钥匙进入启动系统 线路图..长安马自达马自达6 2005 2.3L [无**]
 ABS系统电路图..长安马自达汽车有限公司CX-5 2019-11 PE 2.0L [LVRHDCACXK**]

Copyright @ 2009 www.car388.com All rights reserved. 蜀ICP备12014226号-2 增值电信增值业务许可证:川B2-20190647 服务电话:028-87038205 87039205 87020205 川公网安备 51010502010015号 公司地址:成都市龙泉驿区经开区南二路309号 鼎峰动力港 企业办公总部基地 12栋
2025-01-17.-.V25VHTML-2025-V18-11-5---2-