[返回列表.]    [免费下载畅易手机版APP ]

用户 15242952 **当前提问:节气门到油门踏板控制电路图

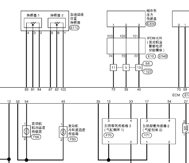
节气门到油门踏板控制电路图

.尊敬的用户,欢迎你使用在线客服,你的问题客服人员已为你处理完毕,请下载附件,如有疑问,欢迎和我们联系!.2009年日产天籁油门踏板电路图

附件:8458813451994.rar

已评价:5星好评


用户 15242952 ***其他客服问题:
test:
  自动挡变速箱资料手册和线路一起.. 起亚赛拉图2009-1[LJDDAA2299** ]
  k13电源保持继电器位置在哪.. 福特福克斯2009-CAF483Q0[LVSHCFAE19** ]
  喷油和点火电路图.. 奔驰E 260 L2015-274 920[LE4HG3GB3E** ]
  BCM针脚图.. 现代瑞纳2010-G4FA[LBERCADB3B** ]
  要变速箱,分动箱,传动系统手册.. 道奇RAM Trucks2015-TNXE 5.7L[3C6TR5DT2G** ]
  知豆D1空调电路图.. 知豆D12015-1[lju70w1z4f** ]
以下是东风日产牌EQ7250AC相关车型的客服问题,希望对您有帮助
 有时加不起油门,送一下再踩就好,这是什么..奇瑞瑞虎小型轿车 2011 afam09229 [lvvdb11boa**]
 节气门到油门踏板控制电路图..东风日产牌EQ7250AC小型轿车 2009年09-22 470788A [LGBF1DE099**]
 倒车雷达电路图的F125和F4是什么..一汽奥迪A6小型轿车
 仪表拆装方法..奔驰牌BJ7182EV小型轿车 2014 80354563 [LH4HGHB7EL**]
 帮忙找一份发动机电脑管脚 发动机电脑是 3个..东风日产牌EQ7250AC天籁 10年12月 VQ25 [LGBF1DE07A**]
 比亚迪速锐12款 方向机 方向机控制模块 集成..比亚迪小型轿车 12 BYD476ZQA [LGXCG6CF4C**]
 帮我找个这车的全车线路图 ,这车跟江淮瑞风S..江淮HFC7151MIV小型轿车 2016 03 18 G3376875 [LJ12EKR29G**]
 中华H30手动1.6一键启动 防盗盒 电源模块 智能..汽油小型轿车 2014.8 LSYYBADBXDC095525 [SY7160XSBA**]
 帮我找悬挂气泵减震线路图,和维修手册,..奔驰BENZS500轿车小型轿车 2002 11396030290678 [WDB2201751**]
 油压会泄压是怎么回事..奔驰小型轿车 2011 80073937 [LE4GF4JB9B**]
 哈佛H1保养复位..长城哈佛H1小型轿车 2016 1601010699 [LGWED2A41G**]
 左右侧交通切换启动 C108000 怎么能消掉..奥迪WAUSHC4G小型轿车 2012 CNY003819 [WAUSHC4G7C**]

Copyright @ 2009 www.car388.com All rights reserved. 蜀ICP备12014226号-2 增值电信增值业务许可证:川B2-20190647 服务电话:028-87038205 87039205 87020205 川公网安备 51010502010015号 公司地址:成都市龙泉驿区经开区南二路309号 鼎峰动力港 企业办公总部基地 12栋
2025-01-16.-.V25VHTML-2025-V18-11-5---2-