[返回列表.]    [免费下载畅易手机版APP ]

用户 bsdtw **当前提问:油泵线路图

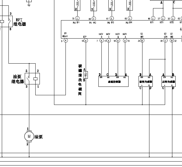
油泵线路图

.尊敬的用户,欢迎你使用在线客服,畅易资料库主要是提供小轿车和越野车的维修资料,其他车型涉及较少,抱歉没有江苏九龙客车厂家的维修资料,资料库内有一款金杯4RB2发动机的线路图,请下载参考,给您带来不便,请谅解。.金杯4RB2发动机油泵线路图

附件:9294707686844.rar

已评价:5星好评


用户 bsdtw ***其他客服问题:
test:
  钥匙转起,仪表没有反应,一键启动,也没有.. 奥迪奥迪Q72007-FSI[WA1B74L67D** ]
  正时位置图.. 江铃驭胜2015-JX4D24D4L[LEFCJDBB7F** ]
  金杯智尚S30的空调压缩机和车身线路图.. 华晨智尚S302011.10-HFC4GA3 -C[LJ16AA339B** ]
  急需空调电路图,(手动空调)。资料库里的.. 一汽大众宝来2005-BJH[LFV2A21J25** ]
  保养归零(仪表中出现扳手,并提示:保养BO.. 奔驰GLK 300 4MATIC2011/01-272 948[WDCGG8BB7B** ]
  右前门玻璃不能升降,左前门也不能控制右前.. 长安福特福克斯2012年2月-CAF7180M48[LVSFCFME0C** ]
以下是江苏九龙汽车相关车型的客服问题,希望对您有帮助
 电路图..江苏九龙汽车制造有限公司大马牌 2012 DK25 [LJSKA3BE3C**]
 发动机正时..江苏九龙汽车制造有限公司大马牌 2012 DK25 [LJSKA3BE3C**]
 G85传感器线路..江苏九龙汽车大马牌 2019 4GA1 [LNLCC2EG9K**]
 水箱风扇电路图..江苏九龙大马牌 2013 DK25 [LJSKA3BE2D**]
 中控门锁电路图/全车电路图..江苏九龙汽车制造有限公司HKL5030XJHA/HKL6480A 2014.09 JM4910-ME [LJSKA2AE1E**]
 电路图..江苏九龙汽车大马牌 15 JE4D28A [LJSKA3BH7F**]
 车身电路图..江苏九龙汽车大马牌 2019-05 4GA1 [LNLCC2EG4K**]
 自动挡变速箱维修手册..大马牌大马牌HKL6540E4 2011 0 [LJSKA3AG9A**]
 来一份电路图详细点..江苏九龙汽车艾菲 2018 2.4 [LNLCC2DG7J**]
 2012年九龙大马ABS电脑板针脚图..江苏九龙汽车制造有限公司大马牌 2012年5月 JM4950F-III [LJSKA3AH7C**]
 空调线路图..江苏九龙大马牌 2013.08 JE4D28A [LJSKA3BN7D**]
 油泵线路图..江苏九龙汽车大马牌 2010.11 4RB2 [LJSKA3AH9A**]

Copyright @ 2009 www.car388.com All rights reserved. 蜀ICP备12014226号-2 增值电信增值业务许可证:川B2-20190647 服务电话:028-87038205 87039205 87020205 川公网安备 51010502010015号 公司地址:成都市龙泉驿区经开区南二路309号 鼎峰动力港 企业办公总部基地 12栋
2025-01-16.-.V25VHTML-2025-