[返回列表.]    [免费下载畅易手机版APP ]

用户 sanx3406 **当前提问:发动机及自动变速器电路图

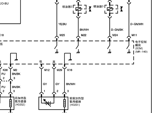
发动机及自动变速器电路图

.尊敬的用户,欢迎你使用在线客服,你需要的资料在《畅易汽车维修技术支持平台》是有的,请直接登陆查询!查询方法:国内厂家->上海别克-凯越(Excelle)-2008[ 维修手册/诊断 /电路图 ]->第6章 发动机->6.6 发动机控制系统-1.8升(L79)->6.6.2示意图和布线图08年别克凯越发动机线路图.

我的车是T18SED发动机,你的是L79发动机

.尊敬的用户,欢迎你使用在线客服,你的问题客服人员已为你处理完毕,请下载附件,如有疑问,欢迎和我们联系!.别克凯越发动机电路图

附件:9528751207115.rar

没有自动变速器电路图的?是双24针插头的,变速器型号是:50-40LN

已评价:5星好评

.尊敬的用户,欢迎你使用在线客服,非常抱歉,资料库该车变速箱都是24+26针脚的资料,没有24+24针脚的资料,给你带来不便,请谅解。.


用户 sanx3406 ***其他客服问题:
test:
  维修资料及时性电路图.. 上海汇众SH6492G2008-M161G23D[LSKF4BC187** ]
  故障码B22F92A的处理方法.. 奔驰S3202015-276 824[WDDUG6CB5F** ]
  发动机机械结构及更换正时皮带.. 讴歌MDX2014-J35Y5[5KCYD4859E** ]
  发动机维修资料及电路图.. 沃尔沃XC602013-B4204T7[YV1DZ4755E** ]
  发动机维修资料.. 保时捷卡宴2022-DCB[WPIAA2AYXN** ]
  发动机电路图.. 大众高尔夫2007年-BLG或BMY
以下是上海别克相关车型的客服问题,希望对您有帮助
 21款别克微蓝6纯电电池包冷却水泵电路图..上海别克微蓝6纯电 21款 TZ204XS105K04 [LSGKM8R4MW**]
 正时皮带拆装,对正时..上海别克老君威 06 L34 [LSGWG52Z76**]
 中控车窗开关和中控锁到车身的电路图..上海别克昂科拉 2015 1.4L [LSGJB84J0F**]
 电动中门系统电路图..上海别克商务GL8 2008年1月 LZC [LSGUD82C58**]
 abs电路图..别克凯越 08 F16D3 [LSGJA52U48**]
 悬架系统,维修资料,维修手册?s..别克 凯越 2013
 别克陆尊车身控制电脑控制线路图..上海别克陆尊 2007 LZC [LSGUD82C97**]
 仪表针脚定义..上海别克gl8 12 LE5 [LSGUD84X2B**]
 中控门锁电路图..别克凯越 2014 . [LSGJA52H6E**]
 变速器控制线路布线图。P2534点火电压低故障..上海别克新君威 2011 LTD4 [LSGGA53Y5B**]
 2013年凯越1.5在行驶时踩离合踩刹车熄火,没..别克凯越 13年 L2GJA52H8ES025603 [LSG**]
 左前门玻璃升降电路图..上海别克君悦 11 125 [L**]

Copyright @ 2009 www.car388.com All rights reserved. 蜀ICP备12014226号-2 增值电信增值业务许可证:川B2-20190647 服务电话:028-87038205 87039205 87020205 川公网安备 51010502010015号 公司地址:成都市龙泉驿区经开区南二路309号 鼎峰动力港 企业办公总部基地 12栋
2025-01-16.-.V25VHTML-2025-V18-11-5---2-