[返回列表.]    [免费下载畅易手机版APP ]

用户 锐信 **当前提问:宝马F18灯光开关电路图

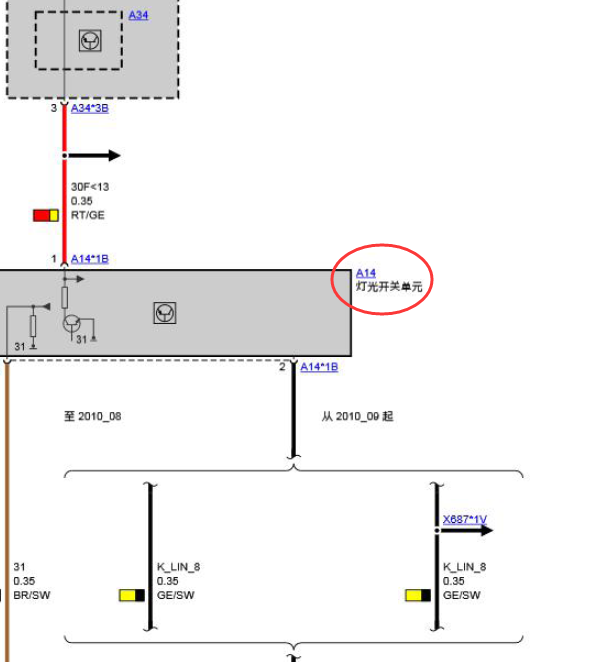
宝马F18灯光开关电路图

.尊敬的用户,欢迎你使用在线客服,你的问题客服人员已为你处理完毕,请下载附件,如有疑问,欢迎和我们联系!15年宝马525LI灯光开关线路图.

附件:7752998005718.rar

太模糊了,字都看不清

.尊敬的用户,欢迎你使用在线客服,你的问题客服人员已为你处理完毕,请下载附件,如有疑问,欢迎和我们联系!15年宝马525LI灯光开关线路图.

附件:3596998006312.rar

已评价:5星好评


用户 锐信 ***其他客服问题:
  汽油泵控制线路图和元件位置.. 路虎揽胜2014年11月-306PS[SALGA2VF4F** ]
  仪表供电图.. 华晨雷诺金杯观境2019-BM15TF[LSYAAADF4K** ]
  发电机电路图.. 奔驰W2032006-271 940[WDBRF42J56** ]
  网关的位置.. 日产汽车Patrol [途乐]4.0 手自一体2020-VQ40DE(4.0)[JN8BY2NY3L** ]
  气囊电路图.. 福特烈马2021-2.3[1FMEE5DH8M** ]
以下是华晨宝马相关车型的客服问题,希望对您有帮助
 这个车所有继电器位置图..华晨宝马530i3.0 手自一体 豪华型 2004 M54B30(306S3)(3.0) [LBVNA79094**]
 全车线路图带敞篷..华晨宝马330i 2010 N52B30AF [WBADX3104A**]
 这车发动机电路图..华晨宝马X1 sDrive20Li1.5T 双离合 时尚型 2022 B38A15C(1.5) [LBVHY3102P**]
 宝马X1发动机电子水泵路图..华晨宝马BWM7202DX(BWMX1) 2013.12 N20B20C [LBVVZ5106E**]
 前雨刷电机,喷水电机控制图..华晨宝马530Li 2010 LBVPZ7100ASD92401
 前乘客侧杂物箱保险盒F30号保险..华晨宝马530i3.0 手自一体 豪华型 2004 M54B30(306S3)(3.0) [LBVNA790X5**]
 华晨宝马523li水箱散热风扇电路图没吗..华晨宝马523li 08 n52b25be
 Acc电源..华晨宝马523Li2.5 手自一体 领先型 2010 N52B25BE(2.5) [LBVPZ3107A**]
 是什么配件坏了..华晨宝马535 2011 N52B25AF [LBVFP3905C**]
 室外温度传感器在什么位置?..华晨宝马320I 2007
 华晨宝马 之诺 充电控制单元 电路图..华晨宝马之诺 2014.11 IP1P25B [LBVCZ3104F**]
 宝马X2仪表台骨架线束走向图..华晨宝马X2 sDrive25i2.0T 双离合 领先型 M运动套装 2020 B48A20C(2.0) [LBVYH3401L**]

Copyright @ 2009 www.car388.com All rights reserved. 蜀ICP备12014226号-2 增值电信增值业务许可证:川B2-20190647 服务电话:028-87038205 87039205 87020205 川公网安备 51010502010015号 公司地址:成都市龙泉驿区经开区南二路309号 鼎峰动力港 企业办公总部基地 12栋
2025-05-05.-.V25