[返回列表.]    [免费下载畅易手机版APP ]

用户 kk667 **当前提问:请提供线路图s

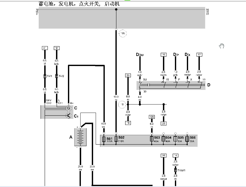
请提供线路图s

.尊敬的用户,欢迎你使用在线客服,你需要的资料在《畅易汽车维修技术支持平台》是有的,请直接登陆查询!查询方法:大众 -> 捷达 - >2010年份 -> 线路图 .2010年大众捷达线路图 该维修资料纲要如下(详细请登陆《汽车维修技术支持平台》查阅):

当前:一汽大众--捷达(Jetta)--2010-- 01¡ª安装位置 1页:目录 2页:接地点 3页:接地点说明 4页:继电器位置 5页:附加电器位置 6页:保险丝位置 7页:保险丝说明 8页:蓄电池上保险丝位置 03¡ª空调系统 2页:鼓风机页:鼓风机开关页:调速电阻页:温度开关页:空调内循环风扇 3页:高低压传感器,空调控制单元,双温开关,散热器风扇,电磁离合器 4页:高低压传感器,空调控制单元,双温开关,散热器风扇,电磁离合器 04¡ªABS¡ªMK70制动系统 2页:ABS控制单元页:ABS油压控制单元页:ABS液压泵 3页:ABS控制单元页:保险丝 06¡ª安全气囊 2页:安全气囊 07¡ª1.6Lsimos汽油发动机 2页:蓄电池页:发电机页:点火开关页:起动机 3页:倒车灯开关页:保险丝 4页:发动机控制单元页:主 5页:发动机控制单元页:点火变压器页:加热电阻 6页:发动机控制单元页:节气门控制单元页:油门踏板位置传感器页:电子油门 7页:发动机控制单元页:进气温度传感器页:霍尔传感器 8页:发动机控制单元页:冷却液温度传感器页:发动机转速传感器页:爆震传感器 9页:发动机控制单元,喷油阀,活性炭罐电磁阀,外部温度开关 10页:发动机控制单元,散热器风扇热敏开关,风扇控制器,散热器风扇 11页:发动机控制单元,¦Ë传感器 12页:发动机控制单元,高压传感器,空调继电器,空调电磁离合器 13页:发动机控制单元,离合器踏板开关,刹车灯开关 14页:发动机控制单元,燃油泵继电器 09¡ª驻车辅助系统 2页:蓄电池页:发电机页:点火开关 3页:驻车辅助系统控制单元页:警报蜂鸣器 4页:驻车辅助系统控制单元页:驻车辅助传感器 10¡ª舒适系统(伙伴车型) 2页:蓄电池,发电机,点火开关 3页:中控锁 4页:左前门电动窗开关,左前门电动窗升降电机,玻璃升降器继电器 5页:右前门电动窗开关,右前门电动窗升降电机 6页:左后和右后车门电动窗开关,左后和右后车门电动窗升降电机 7页:室内灯,联锁开关 8页:清洗-刮水自动间歇控制器,雨刷开关,前风窗清洗泵 11¡ª基本装备 2页:蓄电池,发电机,点火开关,X卸荷继电器 3页:起动机,保险丝 4页:保险丝 5页:保险丝 6页:主供电继电器,制动踏板开关,制动灯开关,离合器踏板开关,高位制动灯 7页:组合仪表,转速传感器,油压开关 8页:组合仪表,手制动灯开关,制动液位传感器,防盗器读出线圈 9页:点烟器,行李舱照明灯,牌照灯,行李箱机械开关,行李箱开启电机 10页:前组合大灯,前转向灯,前驻车灯,大灯继电器 11页:变光及转向开关,驻车灯开关 12页:后转向灯,尾灯,倒车灯,制动灯,后雾灯 13页:前雾灯,右侧转向灯 14页:倒车灯开关,喇叭,喇叭继电器 15页:大灯旋转开关页:后雾灯 15页:副仪表组合开关,后风窗加热电阻 17页:诊断接口,收音机,收音机天线 12¡ª舒适系统 2页:蓄电池,发电机,点火开关 3页:电动后视镜,电动后视镜调整开关 4页:舒适系统控制单元,中央门锁电机 5页:舒适系统控制单元,司机车门中控锁/电动窗开关 15页:副仪表组合开关,后风窗加热电阻 17页:诊断接口,收音机,收音机天线 12¡ª舒适系统 2页:蓄电池,发电机,点火开关 3页:电动后视镜,电动后视镜调整开关 4页:舒适系统控制单元,中央门锁电机 5页:舒适系统控制单元,司机车门中控锁/电动窗开关 6页:舒适系统控制单元,电动窗开关,中央门锁防盗报警天线 7页:舒适系统控制单元,电动窗升降电机 8页:舒适系统控制单元,电动窗升降电机 9页:舒适系统控制单元,室内灯,联锁开关 10页:舒适系统控制单元,雨刷开关,喇叭按钮,前风窗清洗泵,雨刷电机 13¡ªCD¡ªMP3收音机 2页:收音机页:扬声器 3页:收音机页:天线页:扬声器 14¡ª1.9L¡ªSDI柴油发动机 2页:蓄电池,发电机,点火开关, 启动机 3页:柴油直喷控制单元页:水温传感器页:油门踏板位置传感器 4页:柴油直喷控制单元页:防盗器控制单元 5页:柴油直喷控制单元页:废气再循环阀页:进气翻板电机 6页:柴油直喷控制单元页:燃油温度传感器页:开始页:切断阀 7页:柴油直喷控制单元页:进气温度页:加热继电器页:水加热赛 8页:柴油直喷控制单元页:制动灯开关页:离合器开关 9页:柴油直喷控制单元页:空调开关页:预热塞(发动机) 10页:组合仪表控制单元页:机油压力开关页:燃油存量传感器 15¡ª出租车装备 2页:蓄电池页:发电机页:点火开关 3页:里程记录器控制器,出租车车顶标志指示灯,出租车标记开关 4页:汽车定位系统控制单元,发动机舱盖接触开关,电源插头


用户 kk667 ***其他客服问题:
  03年菱帅的电路图?x.. 东南汽车菱帅2003-111
  新嘉年华2009年温度控制系统的维修资料?x.. 长安福特新嘉年华2009-1111
  07年宾悦的电路图?x.. 江淮汽车宾悦2007-1111
  急需A200发动机正时?S.. 奔驰A2002010-2.0L
  2008年F0的维修资料?x.. 比亚迪F02008-11
  ABS故障码消除方法s.. 华晨阁瑞斯2000-2012-
以下是大众相关车型的客服问题,希望对您有帮助
 爆氧传感器保险丝..一汽大众捷达 2010 1.6 [LFV2A11G8A**]
 帮我打个09年迈腾1.8的发动机线路图 01..大众迈腾 09 1.8 BYJ/CBL [.**]
 2006年捷达的电路图?x..一汽大众捷达 2006 11
 保险丝图 03SS..大众途锐大众途锐 2011 CAS [WVGA397P0B**]
 车载电网控制单元J519的脚位功能及电路图..大众进口高尔夫 2007 BLG
 辉腾关到一半就停止..大众辉腾 2008 BGH006756 [WVWFE73D88**]
 1.6L四缸汽油发动机(BWH),维修手册?S..大众开迪 2005
 你好,途安09G变速箱电脑内部图有没有!..大众途安 2008 resds [gfsgsgfsfg**]
 保险丝位置定义..大众CC 2008 CAW [WVWSR23C5A**]
 桑塔纳散热风扇详细电路图(资料库里面的那..大众老桑塔纳 2010 000
 玻璃升降器电路图..大众朗逸 2015.05 csr [LSVNA4184F**]
 捷达01M自动变速器电脑电路图资料和电脑型号..一汽大众捷达 2001-2008 汽油

Copyright @ 2009 www.car388.com All rights reserved. 蜀ICP备12014226号-2 增值电信增值业务许可证:川B2-20190647 服务电话:028-87038205 87039205 87020205 川公网安备 51010502010015号 公司地址:成都市龙泉驿区经开区南二路309号 鼎峰动力港 企业办公总部基地 12栋
1.-.V25VHTML-2025-