[返回列表.]    [免费下载畅易手机版APP ]

用户 0112233 **当前提问:前360摄像头线路图

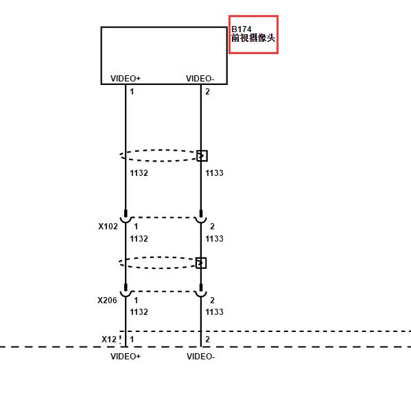
前360摄像头线路图

.尊敬的用户,欢迎你使用在线客服,你需要的资料在《畅易汽车维修技术支持平台》是有的,请直接登陆查询!查询方法:国内厂家 -> 上海通用五菱-宝骏RC-5-2020-2021[ 线路图 ]-> 电气示意图->娱乐系统->360全景影像摄像头.2020年五菱宝骏RC-5摄像头电路图


用户 0112233 ***其他客服问题:
test:
  发动机接卸系统维修资料,维修手册s.. 别克新君威2009-2.0L
  拆变速箱油底壳换滤网需要多少升油.. 丰田 RAV42013- 6ZR-FE [LFMJ440F9D** ]
  bj40后备箱天线在哪.. 北京汽车 BJ40L2016- B231R [LNBRCFDK5K** ]
  帮忙查下倒车雷达电路图 .. 本田锋范2012- L15A7 [LHGGM2573E** ]
  欧尚X70A没有那个车窗线路图吗.. 欧尚X70A2018-暂无[暂无** ]
  方向机的电路图,要PDF格式的.. 福特 Ranger 2018- P5AT [MNCUMFF50M** ]
以下是新宝骏相关车型的客服问题,希望对您有帮助
 麻烦来一份ACC定速巡航模块的线路图,车上的..新宝骏RM-5 2019.10 LJO [LZWADAGA6K**]
 前360摄像头线路图..新宝骏 RC-5 2020 LAR [LZWAEAGA5M**]

Copyright @ 2009 www.car388.com All rights reserved. 蜀ICP备12014226号-2 增值电信增值业务许可证:川B2-20190647 服务电话:028-87038205 87039205 87020205 川公网安备 51010502010015号 公司地址:成都市龙泉驿区经开区南二路309号 鼎峰动力港 企业办公总部基地 12栋
2025-01-13.-.V25VHTML-2025-V18-11-5---2-