[返回列表.]    [免费下载畅易手机版APP ]

用户 94012965 **当前提问:电动尾门电路图以及电动尾门控制模

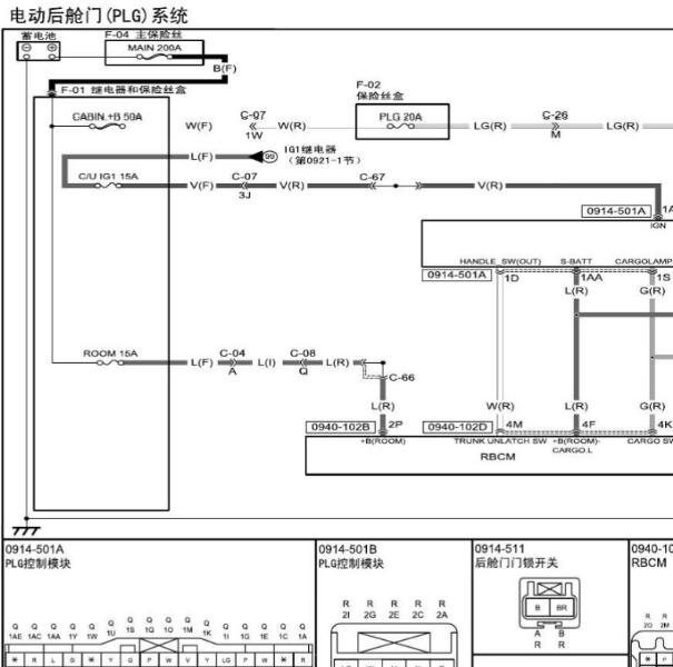
电动尾门电路图以及电动尾门控制模块安装位置

.尊敬的用户,欢迎你使用在线客服,你的问题客服人员已为你处理完毕,请下载附件,如有疑问,欢迎和我们联系!2019年马自达CX-5电动尾门电路图和位置.

附件:50462485735282.zip


用户 94012965 ***其他客服问题:
  变速箱电路图.. 东风日产奇骏2012-123[12345+6789** ]
  智能钥匙系统电路图.. 一汽丰田锐志12年-不详[不详** ]
  后挡风玻璃加热电路图.. 东风日产天籁11年-不详[不详** ]
  急需一份遥控器接收盒控制方面电路图.. 上海大众帕沙特11-
  手动挡车身控制电路图.. 雪弗兰科鲁兹09-不清
  仪表电路图.. 大众尚酷12年-不详[不详** ]
以下是长安马自达相关车型的客服问题,希望对您有帮助
 网络拓扑图和网关位置..马自达CX-5 2017 PE [LVRHDCAC8K**]
 前悬架,维修手册?S..长安马自达星聘 2011
 ABS端子图、通讯、以及保险丝位置..长安马自达马自达3 昂克赛拉-三厢1.5 手自一体 SKYACTIV-G i-stop 豪华型 2014 P5(1.5) [LVRHDFAL5F**]
 维修资料和电路图..长安马自达CX——5 2021 PY [LVRHDCAS4M**]
 电动尾门电路图以及电动尾门控制模块安装位..长安马自达CX-5 20年 不详 [不详**]
 14年的发动机电路图..长安马自达CX5 14年 PY [LVRHDCAS6D**]
 17年马自达CX–5启停i–stop重置..长安马自达CX–5 2017 PE [LVRHDCAC3H**]
 昂克赛拉全车电路图..长安马自达昂克赛拉 19 P5 [LVRHDFAL3K**]
 音响电路图和针脚图..长安马自达CX-50 行也2.5 手自一体 尊行版 2023 PY(2.5) [LVRHDCAS4P**]
 左前门玻璃升降器电路图..马自达CX-5 2017-03 2.0L [LVRHDCAC5H**]
 这个的起动机电路图和维修手册..长安马自达马自达3 昂克赛拉-三厢 24V2.0 手自一体 X压燃尊荣型 2020 HF(2.0) [LVRHDFAC3L**]
 发动机维修资料..长安马自达MZD 2016 1.5 [LVRHDFMLXG**]

Copyright @ 2009 www.car388.com All rights reserved. 蜀ICP备12014226号-2 增值电信增值业务许可证:川B2-20190647 服务电话:028-87038205 87039205 87020205 川公网安备 51010502010015号 公司地址:成都市龙泉驿区经开区南二路309号 鼎峰动力港 企业办公总部基地 12栋
2025-05-21.-.V28**VHTML-2025-V18-11-5---2-