[返回列表.]    [免费下载畅易手机版APP ]

用户 15817730 **当前提问:空气质量计1到发动机电脑版的电路图

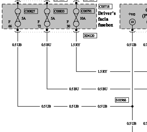
空气质量计1到发动机电脑版的电路图

.尊敬的用户,欢迎你使用在线客服,你的问题客服人员已为你处理完毕,请下载附件,打开链接,复制密码去下载资料,如有疑问,欢迎和我们联系!2009年宾利欧陆空气质量和发动机电路图.

附件:39452734174025.zip


用户 15817730 ***其他客服问题:
test:
  空气质量计1到发动机电脑版的电路图.. 宾利欧陆2017-CYC[SCBGE23W5H** ]
  VTEC电磁阀到发动机电脑版电路图.. 广汽本田第八代雅阁2.4 自动 EX Navi 标准导航版2008-K24Z2(2.4)[LHGCP26879** ]
  空气质量传感器.. 宾利欧陆2017-CYC[SCBGE23W5H** ]
以下是宾利汽车相关车型的客服问题,希望对您有帮助
 空气质量计1到发动机电脑版的电路图..宾利汽车Continental GTC Speed [欧陆 GTC Speed]6.0T 手自一体 2009 CKH(6.0) [SCBGE23W3C**]
 要电动敞篷的电路图 中文的..宾利汽车Continental GT V8 Convertible [欧陆 GT V8 敞篷跑车]4.0T 2015 CYC(4.0) [SCBGN23W5G**]
 找一下 驾驶舱保险丝盒 和后尾箱保险丝 图解..宾利汽车Continental [欧陆]6.0T 自动 5座Flying Spur 2005 BWR(6.0) [SCBBE53W16**]
 敞篷维修手册,电路图,传感器位置图,应急..宾利汽车Continental GTC V8 Convertible [欧陆 GTC V8 Converti 2012 CMM(4.0) [SCBGJ23W3D**]
 帮我找一下分配阀在哪个位置..宾利汽车Mulsanne [慕尚]6.8T 手自一体 EIC特别定制版 2012 CKB(6.8) [SCBBA63Y7C**]
 找一下 obd诊断接口电路图 完整的..宾利汽车Continental GT W12 [欧陆 GT W12]6.0T 手自一体 2004 CKH(6.0) [SCBCE63W07**]
 启动马达电路图。..宾利汽车Mulsanne [慕尚]6.8T 手自一体 Mulliner特别版 2013 CKB(6.8) [SCBBA63Y7D**]
 麻烦老师帮忙查一下这个车拆装雨量/光线传..宾利汽车Continental GT V8 [欧陆 GT V8]4.0T 双离合 2020 CVD(4.0) [SCBCZ13S7M**]
 网关模块位置..宾利汽车Flying Spur V8 [飞驰 V8]4.0T 手自一体 标准版 2014 CMM(4.0) [SCBEN53WXE**]
 这个车拆装前档玻璃维修手册..宾利汽车Continental GT V8 [欧陆 GT V8]4.0T 双离合 2020 CVD(4.0) [SCBCZ13S7M**]
 21款宾利飞驰4.0发动机正时安装..宾利汽车Flying Spur V8 [飞驰 V8]4.0T 双离合 标准版 2021 CVD(4.0) [SCBBX53S1N**]
 后备箱锁块电路图。..宾利汽车Continental GT [欧陆 GT]4.0T 手自一体 2012 CMM(4.0) [SCBFN63W7F**]

Copyright @ 2009 www.car388.com All rights reserved. 蜀ICP备12014226号-2 增值电信增值业务许可证:川B2-20190647 服务电话:028-87038205 87039205 87020205 川公网安备 51010502010015号 公司地址:成都市龙泉驿区经开区南二路309号 鼎峰动力港 企业办公总部基地 12栋
2025-04-04.-.V25