[返回列表.]    [免费下载畅易手机版APP ]

用户 厦门 **当前提问:奇瑞旗云全车电路图

奇瑞旗云全车电路图

.尊敬的用户,欢迎你使用在线客服,你的问题客服人员已为你处理完毕,请下载附件,如有疑问,欢迎和我们联系!11奇瑞旗云全车线路图.

附件:9488649611841.rar

发过来的与车不对,

要09年的

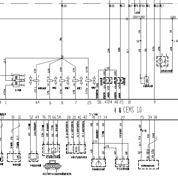
.尊敬的用户,欢迎你使用在线客服,非常抱歉,资料库没有09年的资料,请查看平台上08年款旗云A15,请直接登陆查询!查询方法:国内厂家 -> 奇瑞旗云A15 - >2008 -> 线路图.旗云477F发动机电路图


用户 厦门 ***其他客服问题:
test:
  12年林肯MKX维修手册电路图.. 林肯MKX2012-ECOBOOST[2LMDJ8JK4C** ]
  转向角传感器线路图.. 吉利缤越2020-JLB-4G14TB[LB37622ZXL** ]
  倒车灯线路图.. 长安福特福克斯2011-CAF7180B48[LVSHCAAE6B** ]
  05年帕萨特发动机电脑版线路图(要详细!!.. 大众帕萨特2005.03-BFF[LSVCH49F95** ]
  冷却空气活门伺服电机、冷却液散热器电路图.. 保时捷帕拉梅拉2018-CXT[WP0BA2977J** ]
  ABS上的代码说明,再找一下电源搭铁,网络线.. 福特蒙迪欧2011- GTDIQ0 [LVshbfdcxb** ]
以下是奇瑞相关车型的客服问题,希望对您有帮助
 麻烦发一份马瑞利80针电脑板的针脚接线图..奇瑞QQ6 07年 SQE472F
 发动机电路01SS..奇瑞汽车QQ6 (S21) 2007 1.3L 手动 SQR473FF [LVVDC12A77**]
 旗云3车身模块位置..奇瑞汽车旗云3 2010-07 SQR477F [LVVDC11B2A**]
 空调资料电路图..奇瑞开瑞K50 2017.11 1.5 [LVTDB11B2H**]
 10年风云2 两厢 手动 给个空调面板线路图和..奇瑞风云2 2010 SQR477 [LVVDB11BXA**]
 旗云3 12年的车 发动机舱保险盒线路图..奇瑞旗云3 12 111111 [1111111111**]
 威麟 V5 柴油机维修手册(SQR481A 发动机机械部..奇瑞威麟 V5 2009 SQR481A
 奇瑞瑞虎后轮刹车片安装示意图..奇瑞瑞虎 2006 sqr481f [lvvdb11bx6**]
 节气门线束..奇瑞优劲T72 2019 DAM15KR [LVMZ1A1B1L**]
 底盘系统维修资料,维修手册s..奇瑞瑞麒G6 2010 SQR484B
 发动机维修手册..奇瑞T11 05 4G63S4M [LVVDB14B25**]
 网关和OBD定义..奇瑞欧萌达 2022-2023 SQRF4J16AUNH00659 [LVVDD21B9N**]

Copyright @ 2009 www.car388.com All rights reserved. 蜀ICP备12014226号-2 增值电信增值业务许可证:川B2-20190647 服务电话:028-87038205 87039205 87020205 川公网安备 51010502010015号 公司地址:成都市龙泉驿区经开区南二路309号 鼎峰动力港 企业办公总部基地 12栋
2025-01-17.-.V25VHTML-2025-